
品質、環保、職安政策
品質政策

1.妥善迅速處理

2.持續改善品質

3.顧客滿意信賴
環境政策
1.遵守法律規範
2.全面節能減廢
3.充分資源再生
4.零污染零排放
5.持續提升環境品質
職業健康安全政策
1.以人為本
2.預防為主
3.持續改善
4.消除危害
5.降低風險
6.確保工作者參與
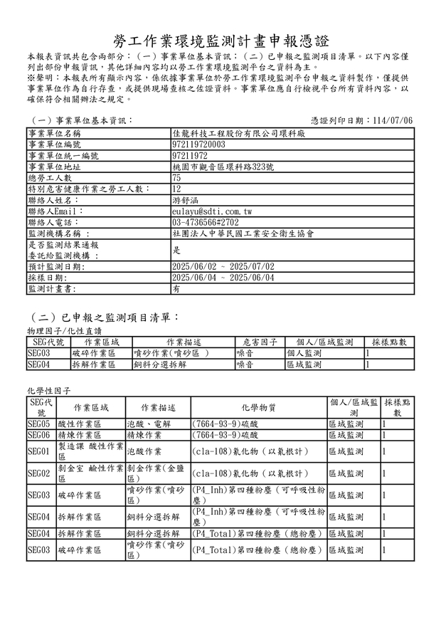
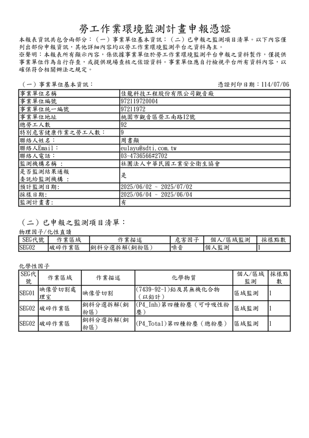
職安衛環境監測
本公司重視員工人身安全,依工作內容發放合適防護器具給同仁使用,特殊作業工作環境依法每半年委請合格檢驗公司進行勞工作業環境監測,監測結果依法於作業場所公告欄上揭示

